北京中泰华旭科技发展有限公司
地址:
北京昌平回龙观育知东路30号院(13号地铁回龙观站对面)
订购热线:
010-80742722
010-80746250
010-80745440
传真:
010-80742755
节假日值班:
13661106446
网址:
www.ztgkong.com
Email:
ztgkong@126.com
:
:
:

详细介绍
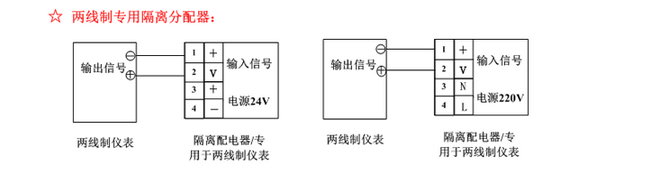
电流信号分配器SOC-AA4-2-1是中泰华旭自己研发、生产、销售,基于工控级的一款标准一入四出隔离份配器(两线制专用),采用磁隔离技术保证隔离器的隔离功能:输入、输出、通道、电源间全隔离,能够屏蔽现场各种干扰信号;同时保证输出信号不衰减,提供高精度信号。SOC-AA4-2-1对应新款型号SOC-AA4-2-N,SOC-AA4-2-N智能型电流信号分配器,两线、三线、四线制都可以接。









产品型号 | SOC-AA4-2-1 | 绝缘电阻 | >100MΩ |
输入通道 | 1路0-20mA/4-20mA(两线制变送器输入) | 响应时间 | 200µS |
输出通道 | 4路0-20mA/4-20mA | 环境温度 | -10℃~ 45℃ |
工作电压 | 220VAC | 环境湿度 | <90% 无结露 |
负载能力 | ≤500Ω | 安装方式 | 35mm导轨安装 |
消耗功率 | ≤2W | 外形尺寸 | 114.5×99×22.5mm |
工作精度 | 0.1% | 机壳材质 | 耐燃树脂 |
隔离耐压 | 1500VDC/分钟 | 电源显示 | LED绿灯,通电亮 |




类别 | 型号 | 输入1路 | 输出4路 | 工作 电压 | 负载(欧姆) | 备注 |
隔离分配 | SOC-AA4-1 | 0-20mA或4-20mA | 0-20mA或4-20mA | 24VDC | <500 | 长期现货 |
SOC-AA4-2 | 0-20mA或4-20mA | 0-20mA或4-20mA | 220VAC | <500 | 长期现货 | |
SOC-AA4-1-N | 0-20mA或4-20mA | 0-20mA或4-20mA | 24VDC | <500 | 长期现货 | |
SOC-AA4-2-N | 0-20mA或4-20mA | 0-20mA或4-20mA | 220VAC | <500 | 长期现货 | |
SOC-AA4-1-1 | 0-20mA或4-20mA | 0-20mA或4-20mA | 24VDC | <500 | 两线制专用,现货 | |
SOC-AA4-2-1 | 0-20mA或4-20mA | 0-20mA或4-20mA | 220VAC | <500 | 两线制专用,现货 | |
SOC-AA4X-1 | 0-20mA或4-20mA | 0-20mA或4-20mA | 24VDC | <500 | 输出可微调,订货1天 | |
SOC-AA4X-2 | 0-20mA或4-20mA | 0-20mA或4-20mA | 220VAC | <500 | 输出可微调,订1天 | |
SOC-VV4-1 | 0-5V或0-10V | 0-5V或0-10V | 24VDC | >10K | 订货1天 | |
SOC-VV4-2 | 0-5V或0-10V | 0-5V或0-10V | 220VAC | >10K | 订货1天 | |
SOC-FF4-G2424 | 0-10KHZ,幅值24V | 0-10KHZ,幅值24V | 24VDC | >10K | 订货1天 | |
SOC-FF4-G0505 | 0-10KHZ,幅值5V | 0-10KHZ,幅值5V | 24VDC | >10K | 订货1天 | |
分配转换 | SOC-AV4-1 | 0-20mA或4-20mA | 0-5V或0-10V | 24VDC | >10K | 长期现货 |
SOC-AV4-2 | 0-20mA或4-20mA | 0-5V或0-10V | 220VAC | >10K | 长期现货 | |
SOC-VA4-1 | 0-5V或0-10V | 0-20mA或4-20mA | 24VDC | <500 | 长期现货 | |
SOC-VA4-2 | 0-5V或0-10V | 0-20mA或4-20mA | 220VAC | <500 | 长期现货 |








